![]() |
|||||||||||||
|
|||||||||||||
![]() |
![]() |
![]() |
![]() |
||||||||||
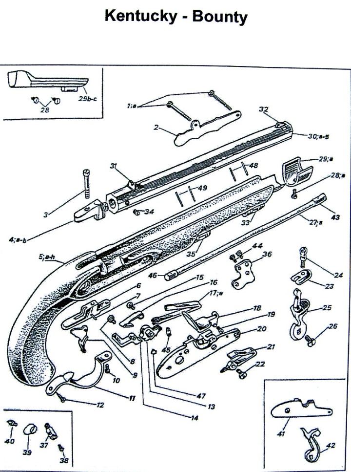
Bounty (“Pedersoli”-Bausatz)
Modell: “Bounty” Hersteller: Pedersoli (Italien) Typ: Perkussionpistole, Vorderlader, einschüssig Serien-Nr.: PD35897 Kaliber: .45, gezogener Achtkantlauf Länge: 540 mm Lauflänge: 415 mm Gewicht: 1.400 g Visierung: starr Hinweis: Die Pistole ist durch den Wechsel des Pistons auf das "Pedersoli-Indoor-Shooting" umgerüstet. Erläuterung: Der Bausatz kommt komplett zusammen gefügt im Karton. Einige Schrauben liegen noch zusätzlich als Reserve bei. Nur das Schaftholz muss noch bearbeitet werden und die Messingteile benötigen eine Politur. Das Einpassen von Kimme und Korn war die anspruchsvollste Tätigkeit. Das Schaftholz wurde nach mehrmaligem Schleifen von mir rot gebeizt und anschließend mit "Drachenblutlack" versiegelt (auch die Metallteile). Danksagung: Fotos und Text stammen von “muzzle.de”-Leser “Daedy”. Vielen Dank für die Überlassung und Freigabe zur Publikation.
Waffe nach der Bearbeitung:
GUNIMO Mai 2014
|
|||||||||||||
|
|||||||||||||