Geco Mod. 1910

Geco Modell 1910

Hersteller: “H. Schmidt Waffentechnik”

Fertigung: Made in Germany

Anbieter: “Dynamit Nobel” unter dem Handelsnamen “Geco”

Modell: 1910

PTB-Nr.: 352

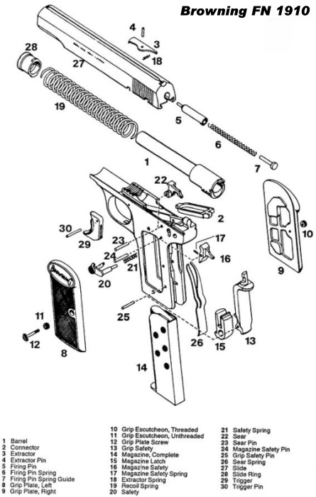
Vorbild: FN Browning 1910, belgische Selbstladepistole - (Behördenwaffe, auch bei der Deutschen Wehrmacht im Einsatz), Fertigung bei “Fabrique Nationale Herstal”, Konstrukteur: John Moses Browning

Beschusszeichen: Nitrobeschuss, Beschussamt Mellrichstadt, Jahr 1984 (siehe Bild unten rechts)

    

Markteinführung: Anfang 1980er Jahre

Serien-Nr.: - keine -

System: Selbstlader, Reizstoff-/Signalpistole

Kaliber: 8 mm Knall

Magazinkapazität: 7 Patronen

Abzug: SAO (Single Action Only)

Lauf: Stahlrohr mit Laufsperre

Sicherung: Manueller Schwenkhebel linksseitig hinter dem Züngel blockiert die Abzugsmechanik

Visierung: Starr

Visierlinie: 135 mm

Länge: 153 mm

Höhe: 100 mm

Breite: 28 mm

Gewicht: 498 g (leer)

Ausführung: Griffstück und Schlitten bestehen aus Druckguss, geschwärzt - schwarze Kunststoffgriffschalen (am Griffrücken zusammenlaufend) - Lauf, Schlagbolzen und Auszieherkralle, sowie einige Kleinteile aus Stahl, Stahlblechmagazin.

Lieferumfang: Waffe, Signalbecher, Laufreinigungsbürste und Bedienungsanleitung im Pappkarton.

Bewertung: Kompakte Taschenpistole - hochwertiger Gesamteindruck - perfekte Bauteilpassungen - sauberes Finish - heute eher Sammlerstück (je nach Zustand) als Gebrauchsgegenstand.

Hinweis: Die “Geco 1910” basiert technisch weitgehend auf dem Modell “HS5A” - Die “Browning”-Replik wurde später mit Modifizierungen (z. B. geschwächtes Patronenlager) unter der PTB- Nummer 421 herausgegeben.

    

Fotos oben und unten: Die Platzierung der Sicherung ist das optisch auffallendste Merkmal bei der Unter- scheidung zwischen Original (Bild oben rechts) und der Replik (unten). Bei der scharfen Großkaliberwaffe blockiert die Sicherung auch den Schlitten, bei der Schreckschusswaffe ist das nicht der Fall.

    

Fotos unten, links: Mündungsansicht mit Laufsperre, rechts: Offenes Hülsenauswurffenster und Ausszieher- kralle bei zurückgezogenem Schlitten.

    

Fotos unten: Ein Stift am Heck der Waffe zeigt an, ob sich der Schlagbolzen im gespannten (linkes Bild) oder entspannten Zustand (rechtes Foto) befindet.

    

Fotos unten: Blick auf den Griffboden. Das Stahlblechmagazin und der federbelastete Magazinhalter. Bewegt man diesen in Richtung Griffrücken, wird das 7-schüssige Magazin freigegeben und kann entnommen werden.

    

    

Fotos unten: Die Visierung ist starr und sehr klein ausgeführt, besitzt aber eine vertiefte und längs geriffelte Linie, was wohl blendende Lichtreflexe eindämmen bzw. verhindern soll.

              

              

Abbildungen unten: Die “FN Browning 1910” wurde mit verschiedenen Griffschalen angeboten. Es gabe eine Version mit den verschränkten Buchstaben “FN” (“Fabrique Nationale”) und eine mit einem eher schlicht ausgeführten “Browning”-Schriftzug in der ovalen Auswölbung.

                                        

                            

 

GUNIMO

Oktober 2014